Назад в каталог Заказать строительство
Дом с мансардой до 100м2
от1 500 000 ₽
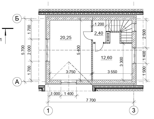
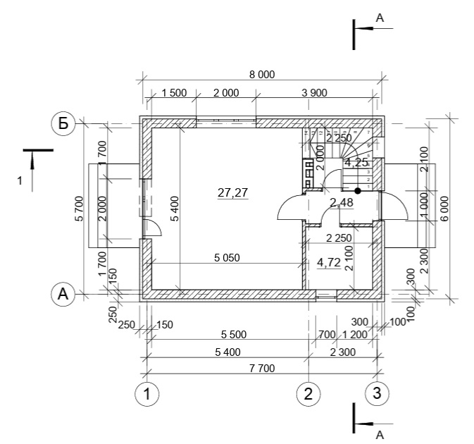
Завершили очередной этап строительства частного дома в Гурьевском районе. Этот проект — отличный пример энергоэффективного и компактного жилья для семьи. Материал стен: Газосиликатные блоки (газобетон) — обеспечивают отличную теплоизоляцию и высокую скорость возведения. Кровля: Качественная металлочерепица в классическом темном оттенке с установленной водосточной системой. Площадь: 96 кв.м., два полноценных этажа. Локация: г. Гурьевск (Калининградская область). Планируете построить дом в Калининграде под ключ? Мы берем на себя все этапы: от проектирования и фундамента до монтажа кровли и отделки. Работаем строго по договору с соблюдением СНиП.
Площадь
96 м²
Комнат
4
Этажей
2
Стены
Газосиликатный блок (300х200х600 мм) с толщиной кладки 30 см. Это обеспечивает отличную тепло- и звукоизоляцию.
Конструктив
ФундаментМонолитный железобетонный ленточный (бетон марки М250).
СтеныГазосиликатный блок (300х200х600 мм) с толщиной кладки 30 см. Это обеспечивает отличную тепло- и звукоизоляцию.
КровляКровля металлочерепица европейского качества
Что входит в проект
Мы строим дома, используя проверенные технологии и материалы от ведущих производителей. Каждое решение направлено на долговечность и энергоэффективность.
1. Основание и фундамент
Мы закладываем мощный фундамент, способный выдержать любые нагрузки:
• Тип: Монолитный железобетонный ленточный (бетон марки М200).
• Параметры: Высота — 1 м, ширина — 0,4 м.
• Пол 1 этажа: Монолитная ЖБ плита (М200) с обязательным слоем гидроизоляции, что исключает появление сырости в доме.
2. Стены и перегородки
• Наружные стены: Газосиликатный блок (300х200х600 мм) с толщиной кладки 30 см. Это обеспечивает отличную тепло- и звукоизоляцию.
• Перемычки: Только монолитные решения над окнами и дверями для предотвращения трещин.
• Дымоходы: Капитальная кладка из полнотелого керамического кирпича М200.
3. Перекрытия
В базовую стоимость включены классические деревянные балки (150х200 мм).
Важно: По желанию заказчика мы можем заменить их на монолитное перекрытие или ЖБ плиты (дополнительная оплата от 100 000 руб.).
4. Кровля европейского качества
Мы уделяем особое внимание герметичности крыши. Используется металлочерепица с профилем «под керамику» (холодный контур) от надежных поставщиков:
• BalexMetal (Латвия) — премиальное европейское качество.
• Деловая Русь / Такт / Эбис — проверенные российские производители.
Все доборные элементы кровли уже входят в стоимость.
5. Инженерные вводы
Мы заранее готовим дом к подключению сетей: закладываем технологические трубы под воду, канализацию и электричество.
